1988 Ford F150 Computer

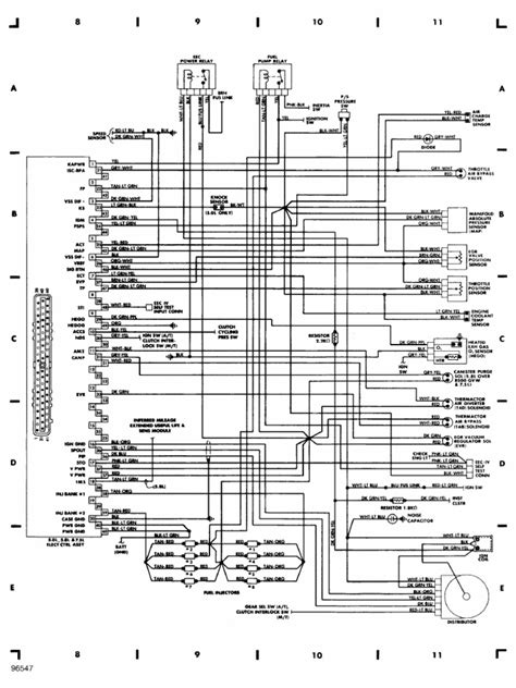
1988 Ford F150 Computer. Web bse engine control computer ecc1823. I picked up a 1988 ford f150 6cy and the starter solenoid missing i have provided an image that will assist you and it will connect like so;

1988 Ford F150 for Sale CC1083891
1988 Ford F150 for Sale CC1083891 from classiccars.com

Web find many great new & used options and get the best deals for 1988 ford f150 engine computer 5.0 v8 mt 4 speed ecu at the best online prices at ebay! It will idle fine for a. $5 off your $100 mobile app purchase.

$5 Off Your $100 Mobile App Purchase.


Web 3 year limited warranty. All pick up in store. Web find many great new & used options and get the best deals for 1988 ford f150 engine computer 5.0 v8 mt 4 speed ecu at the best online prices at ebay!

Web Bse Engine Control Computer Ecc1823.


I picked up a 1988 ford f150 6cy and the starter solenoid missing i have provided an image that will assist you and it will connect like so; Web it shoud be on the left side of the firewall.the computer is monted inside but it sticks out the firewall and plugs in under the hood. Web find ford 5.8l/351 computers, chips & programmers and get free shipping on orders over $109 at summit racing!

Web Where Is The Computer Located In A 1988 Ford F150?


9 people found this helpful. See answer (1) best answer. 24 of 77 results for computer compare refine.

The Engine Type Is 4.9L L6 Ohv 12V.


In decades past—even in the height of performance engines during the 60s and 70s—creating power from an engine build. This testing rig allows us. Web it is manufactured in united states.

Free Shipping On Many Items.


The computer is under the. It will idle fine for a. The car has 8 variations available for its customers.